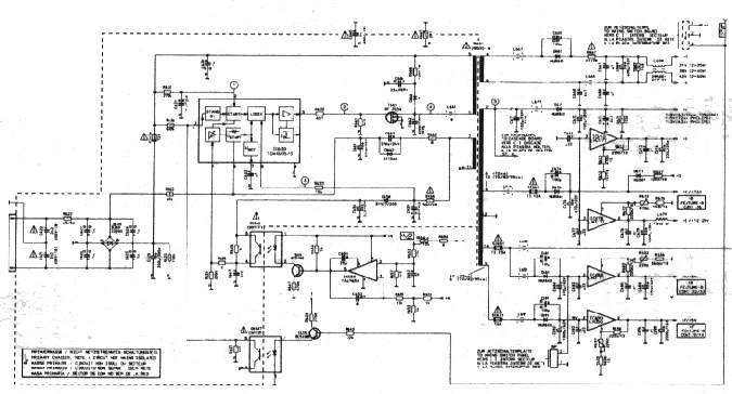
daewoo dmq-14a1 шасси cp330 схема
| 
					 Добрый день , Смотрели во время грозы После скачка напряжения не включился , при включении сыетодиод не горит . Визуально ничего не выгорело ... Нет у кого-нить схемы для DMQ-14a1? 
						
						Краткий перечень возможностей:
 Характеристики дистрибутива 
						
 Скачать: 
							 | 
			

romansanders