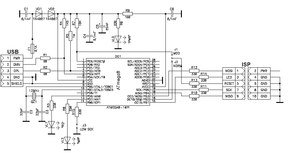
masterprog 3 схема программатора
|
Это потребует некоторых изменений в схеме и полной переделки разводки. В схеме программатора pcb4,5, для которого разработана эта версия ПО, есть изменения, не влияющие на работу с другими версиями.
Краткий перечень возможностей:
Характеристики дистрибутива
Скачать:
|
Комментарии:
ryanphillips_1984
Скачал )))
zawadzki_diego1993
загрузил ! Спасибо
laurennicholas81
спс! Скачал
antonmadrid
Скачала, благодарю
